Vážení zákazníci, ponuku strojov a rozkresov neustále dopĺňame. Ak ste nenašli svoj model alebo konkrétny diel, kontaktujte nás, radi vám pomôžeme.
Zákaznícka podpora:+421 944 682 154info@efix.top
Mena
EUR
Jazyk
Slovenčina

FS 560 C-EM / Náhradné diely STIHL

Najpredávanejšie

U - Číslo stroja / Náhradné diely Stihl
Dlhodobo nedostupné
Kód: 54996-0000I000919
 
0,01 €
(0,01 € bez DPH)
T - null / Náhradné diely Stihl
Doručenie do 48 hod.
Kód: 54991-00007109001
 
od 0,01 €
(od 0,01 € bez DPH)
S - Náradie, popruh na obe ramená / Náhradné diely Stihl
Doručenie do 48 hod.
Kód: 54968-00008910810
 
od 0,01 €
(od 0,01 € bez DPH)

Radenie produktov

17 položiek celkom

Cena

0358
10358

Značky

Zobrazených položiek: 17

Výpis produktov

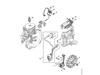
FS 560 C-EM - rozkres
od 0,01 € bez DPH
od 0,01 €

POZOR pri objednávaní dielov. Náhradné diely uvedené pri tomto produkte sú kompatibilné výhradne s typom stroja s číslami 41480112309, 41480112311. Nezabudnite si preto dôkladne...

Kód: 54674-07838302000
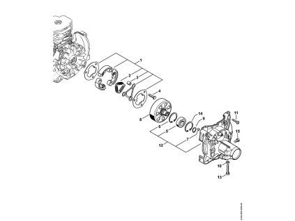
FS 560 C-EM - rozkres
od 0,01 € bez DPH
od 0,01 €

POZOR pri objednávaní dielov. Náhradné diely uvedené pri tomto produkte sú kompatibilné výhradne s typom stroja s číslami 41480112309, 41480112311. Nezabudnite si preto dôkladne...

Kód: 54706-00009302298
FS 560 C-EM - rozkres
od 0,01 € bez DPH
od 0,01 €

POZOR pri objednávaní dielov. Náhradné diely uvedené pri tomto produkte sú kompatibilné výhradne s typom stroja s číslami 41480112309, 41480112311. Nezabudnite si preto dôkladne...

Kód: 54775-41481200601
FS 560 C-EM - rozkres
od 0,01 € bez DPH
od 0,01 €

POZOR pri objednávaní dielov. Náhradné diely uvedené pri tomto produkte sú kompatibilné výhradne s typom stroja s číslami 41480112309, 41480112311. Nezabudnite si preto dôkladne...

Kód: 54798-41481200601
FS 560 C-EM - rozkres
od 0,01 € bez DPH
od 0,01 €

POZOR pri objednávaní dielov. Náhradné diely uvedené pri tomto produkte sú kompatibilné výhradne s typom stroja s číslami 41480112309, 41480112311. Nezabudnite si preto dôkladne...

Kód: 54816-41484004710
FS 560 C-EM - rozkres
od 0,01 € bez DPH
od 0,01 €

POZOR pri objednávaní dielov. Náhradné diely uvedené pri tomto produkte sú kompatibilné výhradne s typom stroja s číslami 41480112309, 41480112311. Nezabudnite si preto dôkladne...

Kód: 54862-41477904800
FS 560 C-EM - rozkres
od 0,01 € bez DPH
od 0,01 €

POZOR pri objednávaní dielov. Náhradné diely uvedené pri tomto produkte sú kompatibilné výhradne s typom stroja s číslami 41480112309, 41480112311. Nezabudnite si preto dôkladne...

Kód: 54869-07811201109
FS 560 C-EM - rozkres
od 0,01 € bez DPH
od 0,01 €

POZOR pri objednávaní dielov. Náhradné diely uvedené pri tomto produkte sú kompatibilné výhradne s typom stroja s číslami 41480112309, 41480112311. Nezabudnite si preto dôkladne...

Kód: 54929-95039003006
FS 560 C-EM - rozkres
od 0,01 € bez DPH
od 0,01 €

POZOR pri objednávaní dielov. Náhradné diely uvedené pri tomto produkte sú kompatibilné výhradne s typom stroja s číslami 41480112309, 41480112311. Nezabudnite si preto dôkladne...

Kód: 54968-00008910810
FS 560 C-EM - rozkres
od 0,01 € bez DPH
od 0,01 €

POZOR pri objednávaní dielov. Náhradné diely uvedené pri tomto produkte sú kompatibilné výhradne s typom stroja s číslami 41480112309, 41480112311. Nezabudnite si preto dôkladne...

Kód: 54991-00007109001
FS 560 C-EM
0,01 € bez DPH
0,01 €

POZOR pri objednávaní dielov. Náhradné diely uvedené pri tomto produkte sú kompatibilné výhradne s typom stroja s číslami 41480112309, 41480112311. Nezabudnite si preto dôkladne...

Kód: 54996-0000I000919
FS 560 C-EM - rozkres
od 0,49 € bez DPH
od 0,60 €

POZOR pri objednávaní dielov. Náhradné diely uvedené pri tomto produkte sú kompatibilné výhradne s typom stroja s číslami 41480112309, 41480112311. Nezabudnite si preto dôkladne...

Kód: 54827-92910210140

Ovládacie prvky výpisu

17 položiek celkom
Doprava ZDARMA
Doprava ZDARMA
Pri objednávke nad 150 €
Rýchle doručenie
Rýchle doručenie
Do 24-48 hod. po celom Slovensku
Široký sortiment
Široký sortiment
Náhradných dielov rôznych značiek
Zľavy pre registrovaných
Zľavy pre registrovaných
Zaregistrujte sa získajte zľavu na nákupy