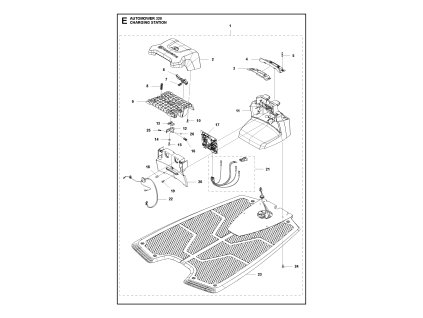
AUTOMOWER® 320 / Náhrané diely Husqvarna Číslo produktu: 967167910
![]()
🧐 Pozor - Oznam pre dodaciu dobu náhradných dielov HUSQVARNA! 🧐
Vzhľadom na externý sklad náhradných dielov Husqvarna sa môže doba dodania líšiť od našich bežných dodacích lehôt 24H - 48H. Pri dodaní náhradného dielu, ktorý bude trvať viac ako 48H Vás budeme obratom kontaktovať.🤞 Ďakujeme za pochopenie, Váš tím EFIX. 💪
Radenie produktov
8 položiek celkom
Značky
Zobrazených položiek: 8
Výpis produktov
Ovládacie prvky výpisu
8 položiek celkom





