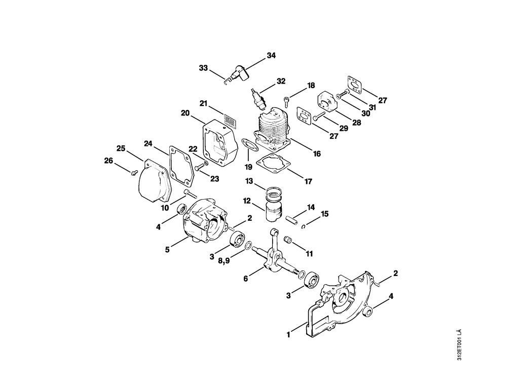
A - Kľuková skriňa, valec / Náhradné diely Stihl

Doprava ZDARMA
Při objednávce nad 3 625 Kč

Rychlé doručení
Do 3-4 dnů do České republiky

Široký sortiment
Náhradních dílů různých značek

Slevy pro registrované
Zaregistrujte se získejte slevu na nákupy
FS 80 AVE 4112 / A - kľuková skriňa, valec / Náhradný diel číslo: -1, Súprava, obsahuje diely č.: 20,21,22,23,24,25,26
Dlouhodobě nedostupné
0,24 Kč
0,20 Kč
bez DPH
FS 80 AVE 4112 / A - kľuková skriňa, valec / Náhradný diel číslo: 1, Polovica kľukovej skrine, strana ventilá, obsahuje diely č.: 2,3,4
Dlouhodobě nedostupné
0,24 Kč
0,20 Kč
bez DPH
FS 80 AVE 4112 / A - kľuková skriňa, valec / Náhradný diel číslo: 2, Kolík 4m6x12
Dlouhodobě nedostupné
0,24 Kč
0,20 Kč
bez DPH
FS 80 AVE 4112 / A - kľuková skriňa, valec / Náhradný diel číslo: 3, Radiálne guľôčkové ložisko DIN625-6201
Skladom v E-shope
365 Kč
296,75 Kč
bez DPH
FS 80 AVE 4112 / A - kľuková skriňa, valec / Náhradný diel číslo: 4, Hriadeľové tesnenieS DIN3760-BS12x22x5
Skladom v E-shope
187,36 Kč
152,33 Kč
bez DPH
FS 80 AVE 4112 / A - kľuková skriňa, valec / Náhradný diel číslo: 5, Polovica kľukovej skrine, strana štartér, obsahuje diely č.: 2,3,4
Dlouhodobě nedostupné
0,24 Kč
0,20 Kč
bez DPH
FS 80 AVE 4112 / A - kľuková skriňa, valec / Náhradný diel číslo: 6, Kľukový hriadeľ
Dlouhodobě nedostupné
0,24 Kč
0,20 Kč
bez DPH
0,24 Kč
0,20 Kč
bez DPH
0,24 Kč
0,20 Kč
bez DPH
FS 80 AVE 4112 / A - kľuková skriňa, valec / Náhradný diel číslo: 10, Skrutka s plochou zaoblenou hlavou M6x60
Skladom v E-shope
38,93 Kč
31,65 Kč
bez DPH
FS 80 AVE 4112 / A - kľuková skriňa, valec / Náhradný diel číslo: 11, Ihlový veniec 8x11x12
Dlouhodobě nedostupné
0,24 Kč
0,20 Kč
bez DPH
0,24 Kč
0,20 Kč
bez DPH
FS 80 AVE 4112 / A - kľuková skriňa, valec / Náhradný diel číslo: 13, Piestny tesniaci krúžok
Dlouhodobě nedostupné
0,24 Kč
0,20 Kč
bez DPH
FS 80 AVE 4112 / A - kľuková skriňa, valec / Náhradný diel číslo: 14, Piestový čap
Dlouhodobě nedostupné
0,24 Kč
0,20 Kč
bez DPH
FS 80 AVE 4112 / A - kľuková skriňa, valec / Náhradný diel číslo: 15, Rozperný poistný krúžok DIN73130-A8x0,7
Dlouhodobě nedostupné
0,24 Kč
0,20 Kč
bez DPH
FS 80 AVE 4112 / A - kľuková skriňa, valec / Náhradný diel číslo: 16, Valec Ø 32 mm
Dlouhodobě nedostupné
0,24 Kč
0,20 Kč
bez DPH
FS 80 AVE 4112 / A - kľuková skriňa, valec / Náhradný diel číslo: 17, Tesnenie valca
Dlouhodobě nedostupné
0,24 Kč
0,20 Kč
bez DPH
FS 80 AVE 4112 / A - kľuková skriňa, valec / Náhradný diel číslo: 18, Skrutka s plochou zaoblenou hlavou M6x60
Dlouhodobě nedostupné
0,24 Kč
0,20 Kč
bez DPH
FS 80 AVE 4112 / A - kľuková skriňa, valec / Náhradný diel číslo: 19, Tesnenie tlmiča výfuku
Dlouhodobě nedostupné
0,24 Kč
0,20 Kč
bez DPH
FS 80 AVE 4112 / A - kľuková skriňa, valec / Náhradný diel číslo: 20, Spodná škrupina
Dlouhodobě nedostupné
0,24 Kč
0,20 Kč
bez DPH
0,24 Kč
0,20 Kč
bez DPH
FS 80 AVE 4112 / A - kľuková skriňa, valec / Náhradný diel číslo: 23, Skrutka so šesťhrannou hlavou M5 x 16
Skladom v E-shope
2 000,17 Kč
1 626,15 Kč
bez DPH
FS 80 AVE 4112 / A - kľuková skriňa, valec / Náhradný diel číslo: 24, Tesnenie tlmiča výfuku
Dlouhodobě nedostupné
0,24 Kč
0,20 Kč
bez DPH
FS 80 AVE 4112 / A - kľuková skriňa, valec / Náhradný diel číslo: 25, Vrchná škrupina
Dlouhodobě nedostupné
0,24 Kč
0,20 Kč
bez DPH
FS 80 AVE 4112 / A - kľuková skriňa, valec / Náhradný diel číslo: 26, Skrutka s valcovou hlavou M4 x 30
Skladom v E-shope
43,80 Kč
35,61 Kč
bez DPH
FS 80 AVE 4112 / A - kľuková skriňa, valec / Náhradný diel číslo: 27, Tesnenie
Dlouhodobě nedostupné
0,24 Kč
0,20 Kč
bez DPH
FS 80 AVE 4112 / A - kľuková skriňa, valec / Náhradný diel číslo: 28, Medzipríruba
Dlouhodobě nedostupné
0,24 Kč
0,20 Kč
bez DPH
FS 80 AVE 4112 / A - kľuková skriňa, valec / Náhradný diel číslo: 29, Sešstūrgalvas skrūve M3x25
Dlouhodobě nedostupné
0,24 Kč
0,20 Kč
bez DPH
FS 80 AVE 4112 / A - kľuková skriňa, valec / Náhradný diel číslo: 30, Podložka 5,3
Skladom v E-shope
14,60 Kč
11,87 Kč
bez DPH
FS 80 AVE 4112 / A - kľuková skriňa, valec / Náhradný diel číslo: 31, Skrutka s plochou hlavou DIN85-M5x20-8.8
Dlouhodobě nedostupné
0,24 Kč
0,20 Kč
bez DPH
FS 80 AVE 4112 / A - kľuková skriňa, valec / Náhradný diel číslo: 32, Zapaľovacia sviečka NGK BMR 6A
Skladom v E-shope
182,50 Kč
148,37 Kč
bez DPH
FS 80 AVE 4112 / A - kľuková skriňa, valec / Náhradný diel číslo: 33, Skrutkovitá valcová pružina
Skladom v E-shope
38,93 Kč
31,65 Kč
bez DPH
Detailní popis produktu
Popis produktu není dostupný
Hodnocení produktu
Buďte první, kdo napíše příspěvek k této položce.
Diskuze
Buďte první, kdo napíše příspěvek k této položce.
