Musíte změnit nastavení vašeho prohlížeče
Podívejte se na:
Jak povolit JavaScript ve vašem prohlížeči
.
Pokud používáte software na blokování reklam, může být nutné povolit JavaScript z této stránky.
Děkujeme.
Tento web používa súbory cookie. Ďalším prechádzaním tohto webu vyjadrujete súhlas s ich používaním. Viac informácií
tu
.
Nastavení
Odmítnout
Souhlasím
Přejít na obsah
Vážení zákazníci, nabídku strojů a rozkresů neustále doplňujeme. Pokud jste nenašli svůj model nebo konkrétní díl, kontaktujte nás, rádi vám pomůžeme.
Přihlášení k vašemu účtu
Nemůžete vyplnit toto pole
Přihlásit se
Nová registrace
Zapomenuté heslo
Pokračovat do košíku
Zákaznická podpora:
+421 944 682 154
info@efix.top
Slevy pro registrované
CZ
SK
Měna
CZK
CZK
EUR
Jazyk
Čeština
Čeština
Slovenčina
Přihlášení
Hledat
Nákupní košík
Prázdný košík
Uhlíky
Uhlíky MAKITA
Dewalt
AL-KO
Benzinové sekačky AL-KO
Benzinové křovinořezy AL-KO
Benzinové řetězové pily AL-KO
Makita
AKU zahradní technika MAKITA
AKU Dmychadlo Makita
,
AKU řetězová pila
,
AKU vyvětvovací pila
,
AKU plotostřih Makita
Makita Elektrické stroje - Zahradní technika
ELEKTRONICKÉ DMYCHADLO/VYSAVAČ
Elektrciké náradie Makita
Pokosové píly Makita
Elektrické a pneumatické nářadí Makita - náhradní díly
Vzduchový kompresor
,
Stolní bruska Makita
,
Horkovzdušná pistole Makita
,
Vysávač Makita
,
Pneumatická hřebíkovačka Makita
,
MultiTool
,
Kladiva
,
Úhlové brusky, leštičky, pila na kov
,
Pily
,
Vrtačky
,
Brusky
,
Hoblíky
,
Frézy
,
Utahováky
,
Prostřihovače
,
Šroubováky
Akumulátorové nářadí Makita - náhradní díly
AKU Zastřihovač elektrických kabelů Makita
,
AKU Krimplovací kleště Makita
,
AKU Fréza
,
AKU Štěrbinová fréza
,
AKU Sponkovačka
,
AKU Vysávač Makita
,
AKU Zhutňovač betonu
,
AKU hřebíkovačka
,
AKU kompresor
,
AKU Míchačka
,
AKU Multitool
,
AKU pokosová píla
,
AKU lestička Makita
,
AKU Okružní pila
,
AKU pásová píla
,
Aku píla na KOV
,
Aku SADROKARTÓNOVÁ PÍLA
,
AKU Ocasní pila
,
AKU PŘÍMÁ BRUSKA
,
AKU Úhlová bruska
,
AKU Úhlový šroubovák
,
AKU račňa
,
AKU Úhlové vrtačky
,
AKUMULÁTOROVÝ PROSTŘIHOVAČ
,
AKU Přímočará pila
,
AKU Excentrická bruska
,
AKU pásový pilník Makita
,
AKU hoblík
,
Aku šroubováky Makita
,
Aku rázové utahováky Makita
,
Aku kladiva Makita
STIHL
Prevzdušnovač trávy STIHL RL
RL 540.0 / Náhradné diely STIHL
Traktorová kosačka STIHL
Robotické kosačky STIHL
Motorové plotostřihy STIHL
HS 45 / Náhradní díly STIHL
,
HS 82 R / Náhradné diely STIHL
,
HS 45 2-MIX / Náhradné diely STIHL
,
HS 82T / náhradné diely STIHL
,
HS 56 C / Náhradné diely STIHL
Teleskopické plotostrihy STIHL - HL
HL 92 C-E / Náhradné diely STIHL
,
HL 94 C-E / Náhradné diely STIHL
AKU reťazové píly STIHL
MSA 70.0 C-B / Náhradné diely STIHL
,
MSA 120 C-B / Náhradné diely STIHL
,
MSA 190.0 T / Náhradné diely STIHL
,
MSA 220.0 C-B / Náhradné diely STIHL
,
MSA 220 C-B / Náhradné diely STIHL
,
MSA 220.0 T / Náhradné diely STIHL
,
MSA 220.0 TC-O / Náhradné diely STIHL
,
GTA 26 / Náhradné diely STIHL
,
GTA 40.0 / Náhradné diely STIHL
,
MSA 300.0 / Náhradné diely STIHL
,
MSA 300.0 C-O / Náhradné diely STIHL
,
MSA 300.1 C-O / Náhradné diely STIHL
,
MSA 200 C-B / Náhradné diely STIHL
,
MSA 200.0 C-B / Náhradné diely STIHL
,
MSA 140 C-B / Náhradné diely STIHL
,
MSA 160.0 C-B / Náhradné diely STIHL
,
MSA 160 C-B / Náhradné diely STIHL
,
MSA 60.0 C-B / Náhrané diely STIHL
,
MSA 161 T / Náhradné diely STIHL
Vyvetvovacie píly STIHL
HT 56 C-E / Náhradné diely STIHL
,
HT 135 / Náhradné diely STIHL
,
HT 70 / Náhradné diely STIHL
,
HT 100 / Náhradné diely STIHL
,
HT 101 / Náhradné diely STIHL
,
HT 103 / Náhradné diely STIHL
,
HT 105 / Náhradné diely STIHL
,
HT 131 / Náhradné diely STIHL
,
HT 133 / Náhradné diely STIHL
,
HT 132 / Náhradné diely STIHL
,
HT 75 / Náhradné diely STIHL
Benzínový fúkač / vysávač STIHL
BG 56 / Náhradné diely STIHL
,
SH 56 / Náhradné diely STIHL
,
BR 200 / Náhradné diely STIHL
,
BR 550 / Náhradné diely STIHL
Kombimotory - KM STIHL
KM 130 / Náhradné diely STIHL
,
KM 130R / Náhradné diely STIHL
,
KM 131R / Náhradné diely STIHL
,
KM 131 / Náhradné diely STIHL
Vysokotlakové čístiče STIHL
RE 90 4951 / Náhradné diely STIHL
,
RE 80.0 / Náhradné diely STIHL
,
RE 100 PLUS CONTROL / Náhradné diely STIHL
,
RE 90.0 / Náhradné diely STIHL
Benzínové kosačky STIHL
RM 650.0 V / Náhradné diely STIHL
,
RM 650.0 VE / Náhradné diely STIHL
,
RM 650.1 VE / Náhradné diely STIHL
,
RM 655.0 V / Náhradné diely STIHL
,
RM 655.0 VS / Náhradné diely STIHL
,
RM 655.1 VS / Náhradné diely STIHL
,
RM 655.1 YS / Náhradné diely STIHL
,
RM 545.1 VM / Náhradné diely STIHL
,
RM 248.0 T / Náhradné diely STIHL
,
RM 248.1 T / Náhradné diely STIHL
,
RM 248.2 T / Náhradné diely STIHL
,
RM 248.3 T / Náhradné diely STIHL
,
RM 253.2 T / Náhradné diely STIHL
,
RM 453.3 V / Náhrané diely STIHL
,
RM 443.3 T / Náhradné diely STIHL
,
RM 650 T / Náhradné diely STIHL
,
RM 448.3 T / Náhradné diely STIHL
Benzínový Rosič STIHL
SR 200 / Náhradné diely STIHL
,
SR 320, SR 400 / Náhradné diely STIHL
,
SR 430 / Náhradné diely STIHL
,
SR 450 / Náhradné diely STIHL
AKU kosačky STIHL
RMA 248.3 T / Náhradné diely STIHL
,
RMA 248.0 / Náhradné diely STIHL
,
RMA 253.3 T / Náhradné diely STIHL
,
RMA 248.3 / Náhradné diely STIHL
,
RMA 448.3 V / Náhradné diely STIHL
,
RMA 448.3 PV / Náhradné diely STIHL
Benzínové kosy nosené na chrbte STIHL FR
FR 131 / Náhradné diely STIHL
,
FR 235T / Náhradné diely STIHL
,
FR 235 / Náhradné diely STIHL
,
FR 410.0 C-E / Náhradné diely STIHL
,
FR 460.0 TC-EM / Náhradné diely STIHL
,
FR 460.0 TC-EFM / Náhradné diely STIHL
Benzinové křovinořezy STIHL
FS 89 / Náhradné diely STIHL
,
STIHL FS 131 / Náhradné diely STIHL
,
FS 130 / Náhradné diely STIHL
,
FS 120 / Náhradné diely STIHL
,
FS 120 2-MIX / Náhradné diely STIHL
,
FS 45 C-E / Náhradné diely STIHL
,
FS 490 C-EM / Náhradné diely STIHL
,
FS 491 C-EM / Náhradné diely STIHL
,
FS 560 C-EM / Náhradné diely STIHL
,
FS 561 C-EM / Náhradné diely STIHL
,
FS 411 C-EM / Náhradné diely STIHL
,
FS 311 / Náhradné diely STIHL
,
FS 350 / Náhradné diely STIHL
,
FS 80 AVE 4112 / Náhradé diely STIHL
,
FS 94 C-E / Náhradné diely STIHL
,
FS 55 2-MIX / Náhradné diely STIHL
,
FS 55 / Náhradné diely STIHL
,
FS 460 / Náhradné diely STIHL
,
FS 460 C-EM / Náhradné diely STIHL
,
FS 461 C-EM / Náhradné diely STIHL
,
FS 461.0 C-EM / Náhradné diely STIHL
,
FS 360 C-EM 4147 / Náhradné diely STIHL
,
FS 80 E 4112 / Náhradné diely STIHL
,
FS 240 / Náhradné diely STIHL
,
FS 240 C-E / Náhradné diely STIHL
,
FS 240.0 / Náhradné diely STIHL
,
FS 400 / Náhradné diely STIHL
,
FS 38 2-MIX / Náhradné diely STIHL
,
FS 38 / Náhradné diely STIHL
,
FS 45 / Náhradné diely STIHL
,
FS 450 / Náhradné diely STIHL
Benzinové řetězové pily STIHL
MS 170 / Náhradní díly STIHL
,
MS180 2-MIX / Náhradní díly STIHL
,
MS 180 / Náhradní díly STIHL
,
MS 211 / Náhradní díly STIHL
,
MS211 C-BE / Náhradní díly STIHL
,
MS 231 / Náhradní díly STIHL
,
MS 231 C-BE / Náhradní díly STIHL
,
MS 251 / Náhradní díly STIHL
,
MS 251 C-BE / Náhradní díly STIHL
,
MS 271 / Náhradní díly STIHL
,
MS 291 / Náhradní díly STIHL
,
MS 260 / Náhradní díly STIHL
,
MS 261 / Náhradní díly STIHL
,
MS 261 C-EM / Náhradní díly STIHL
,
MS 462 / Náhradní díly STIHL
,
MS 362 / Náhradní díly STIHL
,
MS 362 C-M / Náhradní díly STIHL
,
MS 362 C-M VW / Náhradní díly STIHL
,
MS 250 / Náhradní díly STIHL
,
MS 661 / Náhradné diely STIHL
,
MS 661 C-EM / Náhradné diely STIHL
,
MS 661 C-EM W / Náhradné diely STIHL
,
MS 881 / Náhradné diely STIHL
,
MS 500i / Náhradné diely STIHL
,
MS 500i-W / Náhradné diely STIHL
,
MS 194T / Náhradné diely STIHL
,
MS 171 / Náhradné diely STIHL
,
MS 182 / Náhradné diely STIHL
,
MS 212 / Náhradné diely STIHL
,
MS 311 / Náhradné diely STIHL
,
MS 391 / Náhradné diely STIHL
,
MS 201 TC-M / Náhradné diely STIHL
,
MS 151 TC-E / Náhradné diely STIHL
,
MS 461 / Náhradné diely STIHL
,
MS 361 / Náhradné diely STIHL
,
MS 270 / Náhradné diely STIHL
,
MS 391 / Produktové číslo: 11400113034 / Náhradné diely STIHL
,
MS 290 / Náhradné diely STIHL
,
MS 390 / Náhradné diely STIHL
,
MS 200T / Náhradné diely STIHL
,
MS 241 C-M / Náhradné diely STIHL
,
MS 341 / Náhradné diely STIHL
,
MS 400 C-M / Náhradné diely STIHL
,
MS 280 / Náhradné diely STIHL
,
MS 441 / Náhradné diely STIHL
,
MS 170 2-MIX / Náhradní díly STIHL
Husqvarna
Rideri Husqvarna
R 216T AWD / Náhradné diely Husqvarna Číslo produktu: 970542401
,
R214TC Comfort edition / Náhradné diely Husqvarna Číslo produktu: 970569101
,
R 216T AWD / Náhradné diely Husqvarna Číslo produktu: 967847101
,
R 216 AWD / Náhradné diely Husqvarna Číslo produktu: 967291201
,
R 320 AWD / Náhradné diely Husqvarna Číslo produktu: 966757401
,
R 320 AWD 2015+ / Náhradné diely Husqvarna Číslo produktu: 967291501
,
R 320 AWD 2014- / Náhradné diely Husqvarna Číslo produktu: 967151701
,
R 422Ts AWD 2015- / Náhradné diely Husqvarna Číslo produktu: 967292101
,
R 214T AWD / Náhradné diely Husqvarna Číslo produktu: 967079601
,
R 214T AWD / Náhradné diely Husqvarna Číslo produktu: 967079601
Vyvetvovacie benzínové píly Husqvarna
327P5x / Náhradné diely Husqvarna Číslo produktu: 965195201
,
525PT5S / Náhradné diely Husqvarna Číslo produktu: 967329601
Benzínové vodné čerpadlá Husqvarna
W50P / Náhradné diely Husqvarna Číslo produktu: 967639003
,
W80P / Náhradné diely Husqvarna Číslo produktu: 967639103
Kosačky s nulovým polomerom otáčania Husqvarna
Z454X / Náhradné diely Husqvarna Číslo produktu: 970576401
,
Z454X zvárané žacie ústroj. / Náhradné diely Husqvarna Číslo produktu: 967985002
,
Z560X / Náhradné diely Husqvarna Číslo produktu: 970640901
AKU fukáre a zberače lístia Husqvarna
120iBV / Náhradné diely Husqvarna Číslo produktu: 970649804
,
230iB / Náhradné diely Husqvarna Číslo produktu: 970744301
,
325iB / Náhradné diely Husqvarna Číslo produktu: 967991001
,
530iB / Náhradné diely Husqvarna Číslo produktu: 970656101
Robotické sekačky Husqvarna
AUTOMOWER® 305 / Náhradní díly Husqvarna Číslo stroja: 967974011
,
AUTOMOWER® 305 / Náhradní díly Husqvarna Číslo stroja: 967974010
,
AUTOMOWER® 310 Mark II / Náhradní díly Husqvarna Číslo stroja: 970526711
,
AUTOMOWER® 320 / Náhradní díly Husqvarna Číslo produktu: 967167910
,
Automower® 405X / Náhradní díly Husqvarna Číslo produktu: 970456211
,
Automower® 305E NERA / Náhradné diely Husqvarna Číslo produktu: 970653011
,
AUTOMOWER® 315 Mark II / Náhradné diely Husqvarna Číslo produktu: 970526811
,
Automower® 320 NERA / Náhradné diely Husqvarna: 970535111
,
Automower® 310E NERA / Náhradné diely Husqvarna Číslo produktu: 970819711
,
Automower® 410XE NERA / Náhradné diely Husqvarna Číslo produktu: 970654411
,
Automower 435X AWD / Náhradné diely Husqvarna Číslo produktu: 967853311
,
Automower 435X AWD / Náhradné diely Husqvarna Číslo produktu: 967853310
,
AUTOMOWER® 415X / Náhradné diely Husqvarna Číslo produktu: 970471711
,
AUTOMOWER® 420 / Náhradní díly Husqvarna Číslo produktu: 967646110
AKU pily Husqvarna
240i / Náhradní díly Husqvarna
,
340i / Náhradní díly Husqvarna Číslo stroja: 967987914
,
225i / Náhradní díly Husqvarna Číslo produktu: 970547506
,
120i / Náhradní díly Husqvarna Číslo produktu: 967098201
,
330i / Náhradní díly Husqvarna Číslo produktu: 967893712
Záhradné traktory Husqvarna
TC 342 / Náhradné diely Husqvarna Číslo produktu: 960510129
,
CTH 184T / Náhradné diely Husqvarna Číslo produktu: 960510076
,
CTH 184T / Náhradné diely Husqvarna Číslo produktu: 960510108
,
TC 142T / Náhradné diely Husqvarna Číslo produktu: 960510181
,
TC 142 (2015- ) / Náhradné diely Husqvarna Číslo produktu: 960510125
,
TC 338 / Náhradné diely Husqvarna Číslo produktu: 960510128
,
TC 112 / Náhradné diely Husqvarna Číslo produktu: 970622201
,
TC 114 / Náhradné diely Husqvarna Číslo produktu: 970622301
,
TC 215T / Náhradné diely Husqvarna Číslo produktu: 970727701
,
TC 220T / Náhradné diely Husqvarna Číslo produktu: 970727801
,
TS 220T / Náhradné diely Husqvarna Číslo produktu: 970728301
Fúkače / Vysávače lístia Husqvarna
125BVx / Náhradné diely Husqvarna Číslo produktu: 952715645
,
125BVx / Náhradné diely Husqvarna Číslo produktu: 952715674
,
525BX / Náhradné diely Husqvarna Číslo produktu: 967284201
,
345BT / Náhradné diely Husqvarna Číslo produktu: 970466903
,
580BTS / Náhradné diely Husqvarna Číslo produktu: 966629601
Benzínové plotostrihy Husqvarna
122HD60 / Náhradné diely Husqvarna Číslo stroja: 966532401
,
522HD60X / Náhradné diely Husqvarna Číslo roduktu: 967658701
,
522HDR75X / Náhradné diely Husqvarna Číslo produktu: 967658401
,
226HD60S / Náhradné diely Husqvarna Čislo produktu: 966945601
,
226HD75S / Náhradné diely Husqvarna Číslo dielu: 966945701
,
525HE3 / Náhradné diely Husqvarna Obj.číslo: 967944901
AKU Plotostrihy Husqvarna
136LiHD50 / Náhradné diely Husqvarna Číslo produktu: 967193711
,
520iHE3 / Náhradné diely Husqvarna Číslo produktu: 967915811
,
520iHE3 / Náhradné diely Husqvarna Číslo produktu: 967915813
,
322iHD60 / Náhradné diely Husqvarna Číslo produktu: 970466401
,
522iHD75 / Náhradné diely Husqvarna Číslo produktu: 970466101
,
522iHDR60 / Náhradné diely Husqvarna Číslo produktu: 970466201
,
120iTK4-H / Náhradné diely Husqvarna Číslo produktu: 970515905
,
520iHT4 / Náhradné diely Husqvarna Číslo produktu: 967971203
Benzinové křovinořezy Husqvarna
129R / Náhradní díly Husqvarna - Obj. číslo 967193305
,
333R MARK II / Náhradní díly Husqvarna Číslo stroja 967967902
,
545RX / Náhradní díly Husqvarna Číslo produktu: 966015902
,
535RX / Náhradní díly Husqvarna Obj.číslo: 966628802
,
135R / Náhradní díly Husqvarna Obj.číslo: 966604802
,
555RXT / Náhradní díly Husqvarna Číslo stroja: 966629004
,
122R / Náhradné diely Husqvarna Číslo produtku: 970732401
,
343R / Náhradné diely Husqvarna Číslo produktu: 966623901
,
333R / Náhradné diely Husqvarna Číslo produktu: 966623701
,
525RX MARK II / Náhradné diely Husqvarna Obj.číslo: 970446601
,
553RS / Náhradné diely Husqvarna Obj.číslo: 966780004
,
535RXT / Náhradné diely Husqvarna Obj.číslo: 966628902
,
543RS / Náhradné diely Husqvarna Obj.číslo: 966779901
,
545 RXT Autotune / Náhradné diely Husqvarna Obj.číslo: 967176706
,
122R / Náhradné diely Husqvarna Číslo stroja: 9707324-01
Benzinové řetězové pily Husqvarna
372 XP® X-TORQ / Náhradné diely Husqvarna Číslo stroja: 965968118
,
435 / Náhradné diely Husqvarna Obj.číslo: 970559735
,
445S / Náhradné diely Husqvarna Obj.číslo: 970702015
,
450S / Náhradné diely Husqvarna Obj.číslo: 970702715
,
450X / Náhradné diely Husqvarna Obj.číslo: 970702915
,
T525 / Náhradné diely Husqvarna Obj.číslo: 970737510
,
543 XP / Náhradné diely Husqvarna Obj.číslo: 966776145
,
545 MARK II / Náhradné diely Husqvarna Obj.číslo: 967690635
,
540 XP MARK II / Náhradné diely Husqvarna Obj.číslo: 970793015
,
T540 XP MARK III / Náhradné diely Husqvarna Obj.číslo: 970793214
,
550 XP MARK II / Náhradné diely Husqvarna Obj.číslo: 967690835
,
555 / Náhradné diely Husqvarna Obj.číslo: 970501215
,
565 / Náhradné diely Husqvarna Obj.číslo: 966733918
,
540 XP MARK II / Náhradné diely Husqvarna Obj.číslo: 970793015
,
560 XP G MARK II / Náhradné diely Husqvarna Obj.číslo: 970656915
,
560 XP MARK II / Náhradné diely Husqvarna Obj.číslo: 970657015
,
562 XP MARK II / Náhradné diely Husqvarna Obj.číslo: 970663518
,
562 XP G MARK II / Náhradné diely Husqvarna Obj.číslo: 970663618
,
564 XP FUEL INJECT / Náhradné diely Husqvarna Obj.číslo: 970711418
,
572 XP G / Náhradné diely Husqvarna Obj.číslo: 966733418
,
572 XP / Náhradné diely Husqvarna Obj.číslo: 966733118
,
585 / Náhradné diely Husqvarna Obj.číslo: 970493030
,
592 XP / Náhradné diely Husqvarna Obj.číslo: 970493144
,
592 XP G / Náhradné diely Husqvarna Obj.číslo: 970493454
,
562 XP® Power Head/ Náhradné diely Husqvarna číslo produktu: 966569901
,
550 XP® Mark II / Náhradné diely Husqvarna Číslo produktu: 967690835
,
435 / Náhradné diely Husqvarna Číslo produktu: 965167301
,
240 / Náhradné diely Husqvarna Číslo produktu: 966623201
,
440 II / Náhradné diely Husqvarna Číslo produktu: 970560035
,
440 II / Náhradné diely Husqvarna Číslo produktu: 967788535
,
120 MARK II / Náhradní díly Husqvarna Číslo produktu 967861903
,
130 / Náhradní díly Husqvarna Číslo produktu: 967108401
,
560 XP / Náhradní díly Husqvarna Číslo produktu: 966009115
,
372 XP / Náhradní díly Husqvarna Číslo produktu: 965702101
,
365 X-Torq / Náhradní díly Husqvarna Číslo stroja: 966428318
,
450 e-series / Náhradní díly Husqvarna Číslo produktu: 965144935
,
450 e-series / Náhradní díly Husqvarna Číslo produktu: 965144938
,
435 e-series / Náhradní díly Husqvarna Číslo produktu: 965167735
,
135 Mark II / Náhradné diely Husqvarna Číslo produktu: 967861814
,
240 / Náhradné diely Husqvarna Číslo produktu: 966623201
,
236 / Náhradné diely Husqvarna Číslo produktu: 966559202
,
455 Rancher / Náhradné diely Husqvarna Číslo produktu: 966767715
,
450 II / Náhradné diely Husqvarna Číslo produktu: 970559375
,
550 XP® / Náhradné diely Husqvarna Číslo produktu: 966648135
,
550 XP /Náhradné diely Husqvarna Číslo produktu: 966648115
,
365 / Náhradné diely Husqvarna Číslo produktu: 966602301
,
365 / Náhradné diely Husqvarna Číslo produktu: 967082115
,
135 e-series / Náhradní díly Husqvarna Obj.Číslo: 966776302
Benzínové sekačky Husqvarna
LC 146S / Náhradní díly Husqvarna Obj.číslo: 965159201
,
LC 353VE / Náhradní díly Husqvarna Obj.číslo: 967239301
,
LC 53B e / Náhradní díly Husqvarna Obj.číslo: 966669002
,
LC 53B e / Náhradní díly Husqvarna Obj.číslo: 966669103
,
LC 53B e / Náhradní díly Husqvarna Obj.číslo: 966669202
,
LC 348V / Náhradní díly Husqvarna Obj. číslo: 967238801
,
LC 348VE / Náhradní díly Husqvarna Obj. číslo: 967238901
,
LC 48VE (2009-2010) / Náhradní díly Husqvarna Obj. číslo: 966975401
,
LC 48VE (2011) / Náhradní díly Husqvarna Obj. číslo: 966975403
,
LC 48VE (2012+) / Náhradní díly Husqvarna Obj. číslo: 966975405
,
LC 48V (2009-2010) / Náhradní díly Husqvarna Obj. číslo: 966975301
,
LC 48V (2011) / Náhradní díly Husqvarna Obj. číslo: 966975302
,
LC 48V (2012+) / Náhradní díly Husqvarna Obj. číslo: 966975303
,
LC 153S / Náhradní díly Husqvarna Obj. číslo: 961410298
,
LC 356 AWD / Náhradní díly Husqvarna Obj. číslo: 961410220
,
LC 356 AWD / Náhradní díly Husqvarna Obj. číslo: 961410292
,
LC 356 V / Náhradní díly Husqvarna Obj. číslo: 961410212
,
LC 356 V / Náhradní díly Husqvarna Obj. číslo: 961410291
,
LC 56 AWD / Náhradní díly Husqvarna Obj. číslo: 961410272
,
LC 56 / Náhradní díly Husqvarna Obj. číslo: 961410275
,
LC 353VI / Náhradní díly Husqvarna Obj. číslo: 967605301
,
LC 140S / Náhradní díly Husqvarna Obj. číslo: 967636801
,
LC 247S / Náhradní díly Husqvarna Obj. číslo: 967345301
,
LC 151S / Náhradné diely Husqvarna Číslo produktu: 970488401
,
LC 347V / Náhradné diely Husqvarna Číslo produktu: 970541301
,
LC347VE / Náhradné diely Husqvarna Číslo produktu: 970541401
,
LC 253S / Náhradné diely Husqvarna Číslo produktu: 970541501
,
LC 353V / Náhradné diely Husqvarna Číslo produktu: 970541601
,
LC 353VE / Náhradné diely Husqvarna Číslo produktu:970541701
,
LC 347VE / Náhradné diely Husqvarna Obj.číslo: 970541401
,
LC 141C / Náhradné diely Husqvarna Obj.číslo: 967099301
,
LC 353AWD / Náhradné diely Husqvarna Obj.číslo: 970450101
,
LC 140SP / Náhradné diely Husqvarna Obj.číslo: 970488201
,
LC 247S / Náhradné diely Husqvarna Obj.číslo: 970541201
,
LC 551SP / Náhradné diely Husqvarna Obj.číslo: 970621701
,
LC 356V / Náhradné diely Husqvarna Číslo produktu: 970842501
Příslušenství
Príslušenstvo STIHL
Žacie hlavy a nože pre krovinorezy
Príslušenstvo HUSQVARNA
Příslušenství Makita
Kontakty
VIDEONÁVODY
Značky
AL-KO
HUSQVARNA
MAKITA
CZK /
CZK
EUR
Čeština
Slovenčina
Přihlášení
Více
Domů
/
STIHL
/
Benzinové křovinořezy STIHL
/
FS 120 / Náhradné diely STIHL
FS 120 / Náhradné diely STIHL
, Strana 2
Nejprodávanější
Pomocné a prevádzkové látky / Náhradné diely Stihl
Dlouhodobě nedostupné
Kód:
54022-07811201021
0,24 Kč
(0,20 Kč bez DPH)
AF - Číslo stroja / Náhradné diely Stihl
Dlouhodobě nedostupné
Kód:
54020-0000I000919
0,24 Kč
(0,20 Kč bez DPH)
AE - Nosný popruh, náradie, zvláštne príslušenstvo / Náhradné diely Stihl
Doručení do 48 hod.
Kód:
54012-00009302242
od
0,24 Kč
(od 0,20 Kč bez DPH)
AD - Prepravný chránič / Náhradné diely Stihl
Doručení do 48 hod.
Kód:
53997-41197924305
od
134,08 Kč
(od 109,01 Kč bez DPH)
AC - Chránič / Náhradné diely Stihl
Doručení do 48 hod.
Kód:
53981-41330071007
od
0,24 Kč
(od 0,20 Kč bez DPH)
AB - Prevodovka / Náhradné diely Stihl
Doručení do 48 hod.
Kód:
53968-07811201117
od
0,24 Kč
(od 0,20 Kč bez DPH)
AA - Prevodovka / Náhradné diely Stihl
Doručení do 48 hod.
Kód:
53950-07811201117
od
0,24 Kč
(od 0,20 Kč bez DPH)
Z - Násada / Náhradné diely Stihl
Doručení do 48 hod.
Kód:
53931-92102610700
od
14,63 Kč
(od 11,89 Kč bez DPH)
Y - Dvojručná rukoväť (09.2003) / Náhradné diely Stihl
Doručení do 48 hod.
Kód:
53914-41284421600
od
0,24 Kč
(od 0,20 Kč bez DPH)
X - Dvojručná rukoväť / Náhradné diely Stihl
Doručení do 48 hod.
Kód:
53887-0000I000261
od
0,24 Kč
(od 0,20 Kč bez DPH)
Zobrazit více produktů
Řazení produktů
Nejlevnější
Nejdražší
Nejprodávanější
Abecedně
25
položek celkem
Otevřít filtr
Cena
0
Kč
5412
Kč
24.3780002
0
5412
Na skladě
0
Rozbalit filtr
Značky
STIHL
25
Položek k zobrazení:
25
Výpis produktů
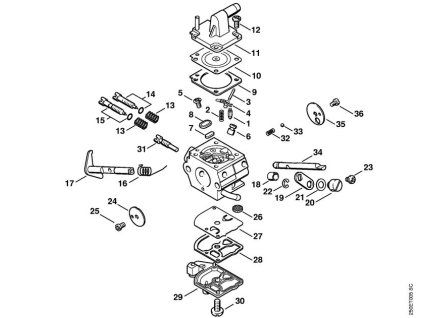
Q - Karburátor C1Q-S51, C1Q-S36 (09.2003) / Náhradné diely Stihl
Doručení do 48 hod.
od 0,20 Kč bez DPH
od
0,24 Kč
Detail
Kód:
53742-11231213300
R - Karburátor C1Q-S35 (19.98) / Náhradné diely Stihl
Doručení do 48 hod.
od 0,20 Kč bez DPH
od
0,24 Kč
Detail
Kód:
53779-41341213300
X - Dvojručná rukoväť / Náhradné diely Stihl
Doručení do 48 hod.
od 0,20 Kč bez DPH
od
0,24 Kč
Detail
Kód:
53887-0000I000261
Y - Dvojručná rukoväť (09.2003) / Náhradné diely Stihl
Doručení do 48 hod.
od 0,20 Kč bez DPH
od
0,24 Kč
Detail
Kód:
53914-41284421600
E - štartovacie zariadenie, zapaľovacia sústava / Náhradné diely Stihl
Doručení do 48 hod.
od 11,89 Kč bez DPH
od
14,63 Kč
Detail
Kód:
53475-92910210121
W - Rúrka dvojručnej rukoväti, ovládacia rukoväť / Náhradné diely Stihl
Doručení do 48 hod.
od 11,89 Kč bez DPH
od
14,63 Kč
Detail
Kód:
53850-92910210120
Z - Násada / Náhradné diely Stihl
Doručení do 48 hod.
od 11,89 Kč bez DPH
od
14,63 Kč
Detail
Kód:
53931-92102610700
J - teleso karburátora, vzduchový filter / Náhradné diely Stihl
Doručení do 48 hod.
od 19,82 Kč bez DPH
od
24,38 Kč
Detail
Kód:
53568-92162610700
M - Karburátor 4134/21, 4134/22, 4134/23 / Náhradné diely Stihl
Doručení do 48 hod.
od 19,82 Kč bez DPH
od
24,38 Kč
Detail
Kód:
53621-96469450490
G - tlmič výfuku, kryt, palivová nádržka / Náhradné diely Stihl
Doručení do 48 hod.
od 31,71 Kč bez DPH
od
39 Kč
Detail
Kód:
53517-00009511100
S - Kryt spojky / Náhradné diely Stihl
Doručení do 48 hod.
od 31,71 Kč bez DPH
od
39 Kč
Detail
Kód:
53803-00009975519
U - Ovládacia rukoväť / Náhradné diely Stihl
Doručení do 48 hod.
od 43,60 Kč bez DPH
od
53,63 Kč
Detail
Kód:
53821-90754784159
Ovládací prvky výpisu
Načíst 1 další
Stránkování
Nacházíte se na straně 2 z 3.
1
2
3
25
položek celkem
Nahoru
Doprava ZDARMA
Při objednávce nad 3 625 Kč
Rychlé doručení
Do 3-4 dnů do České republiky
Široký sortiment
Náhradních dílů různých značek
Slevy pro registrované
Zaregistrujte se získejte slevu na nákupy