Q - Karburátor C1Q-S51, C1Q-S36 (09.2003) / Náhradné diely Stihl

Doprava ZDARMA
Při objednávce nad 3 625 Kč

Rychlé doručení
Do 3-4 dnů do České republiky

Široký sortiment
Náhradních dílů různých značek

Slevy pro registrované
Zaregistrujte se získejte slevu na nákupy
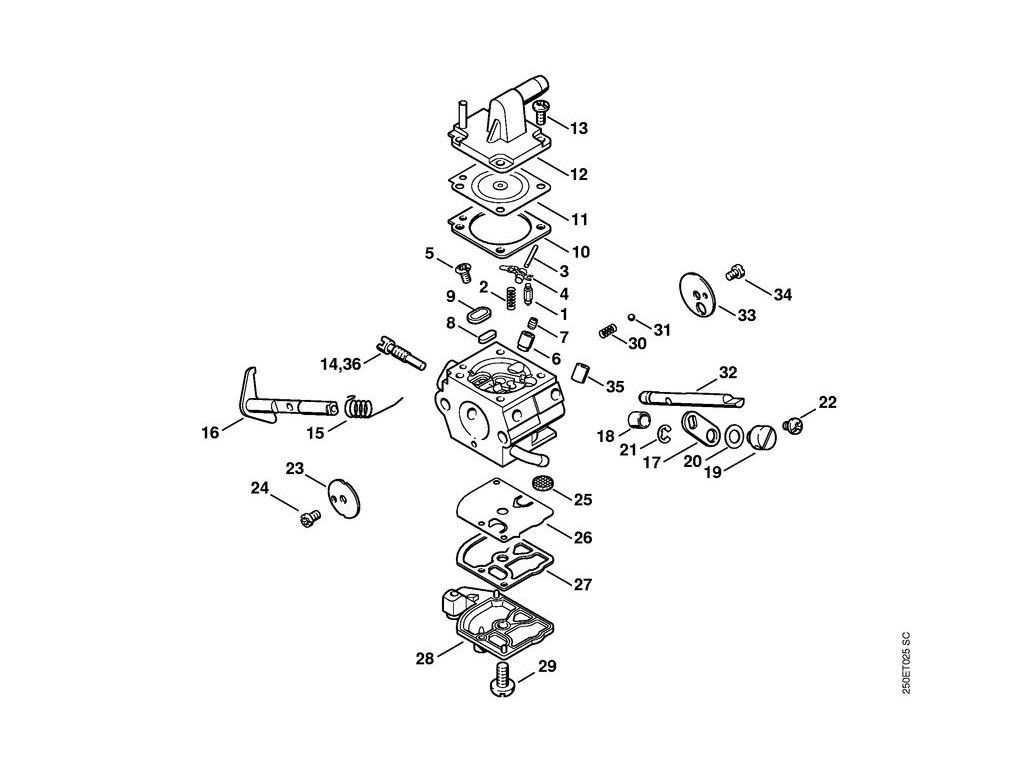
Fs 120 / Q - karburátor c1q-s51, c1q-s36 (09. / Náhradný diel číslo: -1, Súprava dielov karburátora, obsahuje diely č.
Skladom v E-shope
709,03 Kč
576,45 Kč
bez DPH
Fs 120 / Q - karburátor c1q-s51, c1q-s36 (09. / Náhradný diel číslo: -1, Karburátor c1q-s51d, obsahuje diely č.
Skladom v E-shope
2 127,10 Kč
1 729,35 Kč
bez DPH
Fs 120 / Q - karburátor c1q-s51, c1q-s36 (09. / Náhradný diel číslo: -1, Karburátor c1q-s36g, obsahuje diely č.
Dlouhodobě nedostupné
0,24 Kč
0,20 Kč
bez DPH
Fs 120 / Q - karburátor c1q-s51, c1q-s36 (09. / Náhradný diel číslo: 1, Prívodná ihla
Skladom v E-shope
220,97 Kč
179,65 Kč
bez DPH
58,28 Kč
47,38 Kč
bez DPH
58,28 Kč
47,38 Kč
bez DPH
Fs 120 / Q - karburátor c1q-s51, c1q-s36 (09. / Náhradný diel číslo: 4, Prívodná regulačná páka
Skladom v E-shope
67,99 Kč
55,28 Kč
bez DPH
Fs 120 / Q - karburátor c1q-s51, c1q-s36 (09. / Náhradný diel číslo: 5, Skrutka s nákružkom
Skladom v E-shope
109,27 Kč
88,84 Kč
bez DPH
Fs 120 / Q - karburátor c1q-s51, c1q-s36 (09. / Náhradný diel číslo: 6, Výstupný ventil
Skladom v E-shope
276,81 Kč
225,05 Kč
bez DPH
Fs 120 / Q - karburátor c1q-s51, c1q-s36 (09. / Náhradný diel číslo: 7, Pevná dýza
Skladom v E-shope
201,54 Kč
163,85 Kč
bez DPH
Fs 120 / Q - karburátor c1q-s51, c1q-s36 (09. / Náhradný diel číslo: 8, Uzatváracia doska
Skladom v E-shope
109,27 Kč
88,84 Kč
bez DPH
Fs 120 / Q - karburátor c1q-s51, c1q-s36 (09. / Náhradný diel číslo: 9, Uzatváracia doska
Skladom v E-shope
109,27 Kč
88,84 Kč
bez DPH
Fs 120 / Q - karburátor c1q-s51, c1q-s36 (09. / Náhradný diel číslo: 10, Regulačné tesnenie
Skladom v E-shope
43,71 Kč
35,54 Kč
bez DPH
Fs 120 / Q - karburátor c1q-s51, c1q-s36 (09. / Náhradný diel číslo: 11, Regulačná membrána
Skladom v E-shope
310,81 Kč
252,69 Kč
bez DPH
Fs 120 / Q - karburátor c1q-s51, c1q-s36 (09. / Náhradný diel číslo: 12, Ukončovacie veko
Skladom v E-shope
354,52 Kč
288,23 Kč
bez DPH
Fs 120 / Q - karburátor c1q-s51, c1q-s36 (09. / Náhradný diel číslo: 13, Skrutka s nákružkom
Skladom v E-shope
109,27 Kč
88,84 Kč
bez DPH
Fs 120 / Q - karburátor c1q-s51, c1q-s36 (09. / Náhradný diel číslo: 14, Skrutka nastavenia voľnobehu
Skladom v E-shope
220,97 Kč
179,65 Kč
bez DPH
58,28 Kč
47,38 Kč
bez DPH
Fs 120 / Q - karburátor c1q-s51, c1q-s36 (09. / Náhradný diel číslo: 16, Škrtiaci hriadeľ s pákou
Skladom v E-shope
502,64 Kč
408,65 Kč
bez DPH
63,13 Kč
51,33 Kč
bez DPH
Fs 120 / Q - karburátor c1q-s51, c1q-s36 (09. / Náhradný diel číslo: 18, Dištančné puzdro
Skladom v E-shope
43,71 Kč
35,54 Kč
bez DPH
177,26 Kč
144,11 Kč
bez DPH
43,71 Kč
35,54 Kč
bez DPH
Fs 120 / Q - karburátor c1q-s51, c1q-s36 (09. / Náhradný diel číslo: 21, Poistný krúžok
Skladom v E-shope
53,42 Kč
43,43 Kč
bez DPH
Fs 120 / Q - karburátor c1q-s51, c1q-s36 (09. / Náhradný diel číslo: 22, Skrutka s plochou hlavou m3x3,5
Skladom v E-shope
33,99 Kč
27,63 Kč
bez DPH
Fs 120 / Q - karburátor c1q-s51, c1q-s36 (09. / Náhradný diel číslo: 23, Škrtiaca klapka
Dlouhodobě nedostupné
0,24 Kč
0,20 Kč
bez DPH
Fs 120 / Q - karburátor c1q-s51, c1q-s36 (09. / Náhradný diel číslo: 24, Polkruhová skrutka
Skladom v E-shope
118,98 Kč
96,73 Kč
bez DPH
67,99 Kč
55,28 Kč
bez DPH
Fs 120 / Q - karburátor c1q-s51, c1q-s36 (09. / Náhradný diel číslo: 26, Membrána čerpadla
Skladom v E-shope
310,81 Kč
252,69 Kč
bez DPH
Fs 120 / Q - karburátor c1q-s51, c1q-s36 (09. / Náhradný diel číslo: 27, Tesnenie čerpadla
Skladom v E-shope
43,71 Kč
35,54 Kč
bez DPH
Fs 120 / Q - karburátor c1q-s51, c1q-s36 (09. / Náhradný diel číslo: 28, Ukončovacie veko
Skladom v E-shope
354,52 Kč
288,23 Kč
bez DPH
Fs 120 / Q - karburátor c1q-s51, c1q-s36 (09. / Náhradný diel číslo: 29, Skrutka so zápustnou šošovkovitou hlavou
Skladom v E-shope
118,98 Kč
96,73 Kč
bez DPH
58,28 Kč
47,38 Kč
bez DPH
48,56 Kč
39,48 Kč
bez DPH
Fs 120 / Q - karburátor c1q-s51, c1q-s36 (09. / Náhradný diel číslo: 32, Štartovací hriadeľ
Skladom v E-shope
478,36 Kč
388,91 Kč
bez DPH
Fs 120 / Q - karburátor c1q-s51, c1q-s36 (09. / Náhradný diel číslo: 33, Štartovacia klapka
Skladom v E-shope
89,84 Kč
73,04 Kč
bez DPH
Fs 120 / Q - karburátor c1q-s51, c1q-s36 (09. / Náhradný diel číslo: 34, Polkruhová skrutka
Skladom v E-shope
118,98 Kč
96,73 Kč
bez DPH
Fs 120 / Q - karburátor c1q-s51, c1q-s36 (09. / Náhradný diel číslo: 35, Ventilová dýza
Skladom v E-shope
201,54 Kč
163,85 Kč
bez DPH
Detailní popis produktu
Popis produktu není dostupný
Hodnocení produktu
Buďte první, kdo napíše příspěvek k této položce.
Diskuze
Buďte první, kdo napíše příspěvek k této položce.
